
![]() |
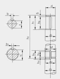
機架高度代號Ⅰ型:普通型; Ⅱ型:增高型 減速機輸出軸軸徑(mm) 減速機型號(3#-12#) 機架代號 |

|
JXLD型機架主要參數及尺寸 機架代號 |
減速機出軸軸徑d | 攪拌軸軸端尺寸 | 外形及聯接尺寸 | |||||||||||||||||||
| d1 | M | d2 | d3(K6) | h1 | h2 | h3 | h4 | h5 | h6 | b | b1 | t | t1 | H1 | H2 | D3 | D2 | D1 | n1-φ1 | D4 | ||
| JXLD3 | 35 | 40 | M45×1.5 | 42.8 | 45 | 60 | 215 | 10 | 3 | 16 | 50 | 10 | 6 | 30 | 41 | 291 | 136 | 230 | 200 | 170 | 6-12 | 410 |
| JXLD4 | 45 | 50 | M55×2 | 52 | 55 | 75 | 235 | 14 | 4 | 22 | 69 | 14 | 8 | 39.5 | 51 | 335 | 175 | 260 | 230 | 200 | 6-12 | 450 |
| JXLD5 | 55 | 60 | M65×2 | 62 | 65 | 75 | 301 | 14 | 4 | 22 | 70 | 16 | 8 | 49 | 61 | 404 | 178 | 340 | 310 | 270 | 6-13 | 500 |
| JXLD6 | 65 | 70 | M75×2 | 72 | 75 | 90 | 277 | 16 | 4 | 25 | 85 | 18 | 10 | 58 | 70 | 402 | 215 | 400 | 360 | 316 | 8-16 | 530 |
| JXLD7 | 80 | 85 | M90×2 | 87 | 90 | 105 | 316 | 20 | 4 | 30 | 100 | 22 | 12 | 71 | 84 | 441 | 230 | 430 | 390 | 345 | 8-18 | 565 |
| JXLD8 | 90 | 95 | M100×2 | 97 | 100 | 125 | 320 | 20 | 4 | 30 | 120 | 25 | 12 | 81 | 94 | 471 | 276 | 490 | 450 | 400 | 12-18 | 565 |
| JXLD9 | 100 | 105 | M110×2 | 107 | 110 | 125 | 308 | 20 | 4 | 31 | 120 | 28 | 14 | 90 | 104 | 496 | 313 | 580 | 520 | 455 | 12-22 | 580 |
| JXLD10 | 110 | 115 | M120×2 | 117 | 120 | 155 | 267 | 24 | 4 | 35 | 150 | 28 | 14 | 100 | 114 | 475 | 363 | 650 | 590 | 520 | 12-22 | 650 |
| JXLD11 | 130 | 135 | M140×2 | 137 | 140 | 155 | 301 | 28 | 4 | 39 | 150 | 32 | 14 | 119 | 132 | 521 | 375 | 880 | 800 | 680 | 12-38 | 880 |
| JXLD12 | 180 | 190 | M200×3 | 196 | 200 | 284 | 377 | 36 | 4 | 48 | 280 | 45 | 16 | 165 | 190 | 757 | 664 | 1160 | 1020 | 900 | 8-39 | 1160 |